CN
当前位置: 城市轨道交通  >  单轨  > 悬挂式单轨列车研制及试验_NormalPdf.pdf

悬挂式单轨列车研制及试验_NormalPdf.pdf

GRCC  |   2025-10-26  
文档类型:单轨   |   格式:pdf   |  总 6| 上传时间: 2025-10-26   |大小:3.99m | 下载量:0
举报
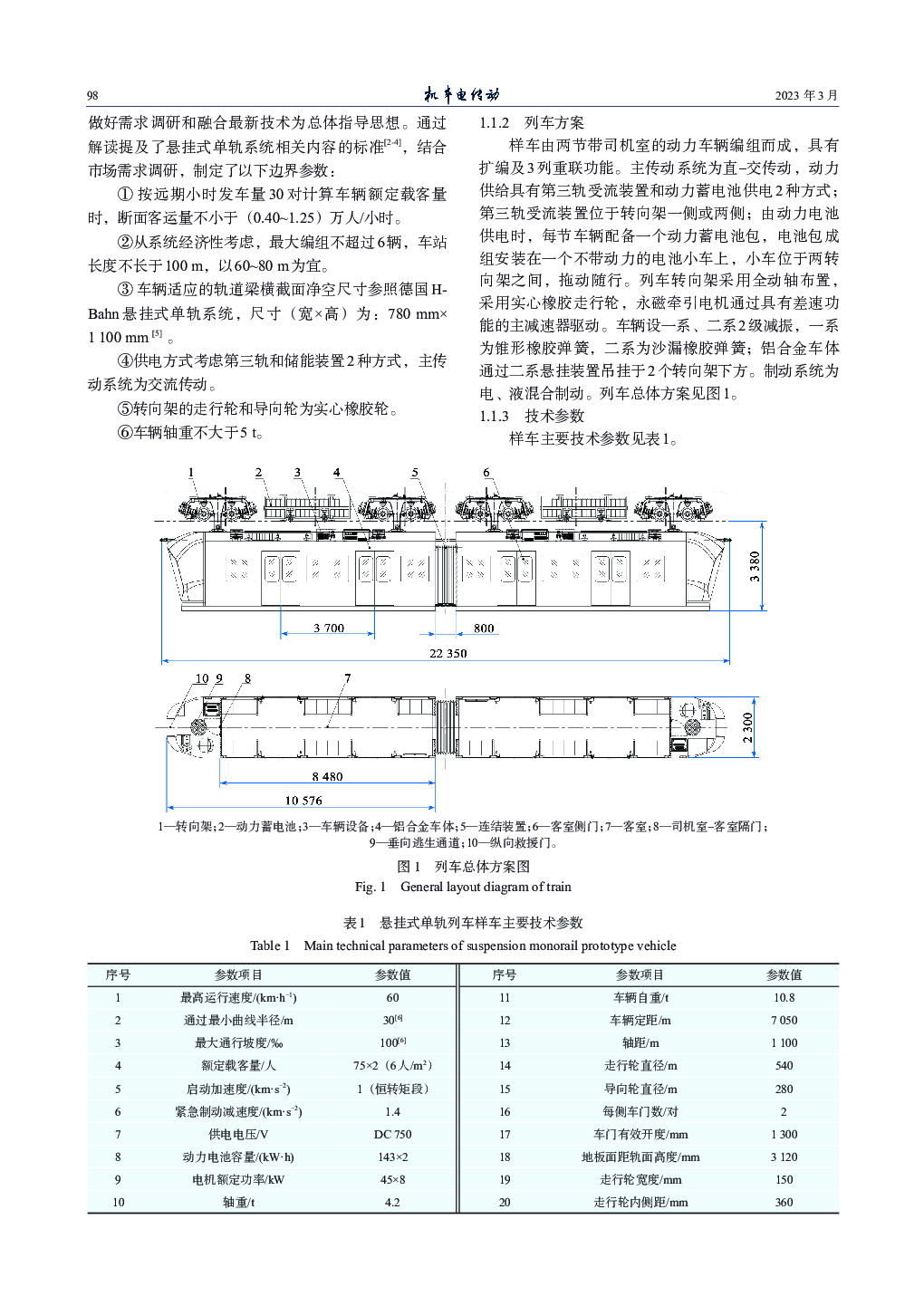
摘要:

试读已结束,如需下载到电脑,请使用下载币( 获取下载币

下载:5.00下载币 收藏
下载:暂无上传网盘
提取码:点击查看
最新上传
  • / 6
收藏
价格:5.00下载币
分享文档得下载币
点击复制链接(被分享文档2下载币以上)
手机扫码二维码分享得下载币奖励
充值
下载币
扫码加交流群
联系
客服

扫码加交流群

微信服务号

关于我们-网站声明-网站地图-资源地图-友情链接

GRCC 科技文库版权所有.

©Copyright 2007-2022.沪ICP备18036460号-7